Skip to content
Welcome!
  • My Account
  • Register
  • Checkout
  • Purchase History
  • Contact us
  • Privacy Policy
A Repair Manual Store

JCB Manual,Tractor manual,service repair manual,workshop manual

Cart total: $0.00
Menu
  • New Manual
  • Blog
  • JCB Manual
    • Backhoe Loader
    • Wheel Loader
    • Skid Steer Loader
    • Excavator
    • Fastrac Tractor
    • Dumpster
    • Telescopic Handler
    • JCB Engine
    • Road roller
    • Utility Vehicle
    • Fork Lift
    • Attachments
    • Old Vibromax
    • JCB Parts Manual
  • John Deere
    • Backhoe Loader
    • Tractor
    • Compact Utility Tractor
    • Crawler Tractor
    • Aeration
    • Lawn Garden Tractor
    • Mower
    • Bunker Rake
    • John Deere Engine
    • Utility Vehicle
    • Excavator
    • Combine
  • Engine Manul
    • JCB Engine
    • John Deere Engine
    • Case Engines
    • New Holland Engine
    • Cummins Engine
  • KOMATSU Manual
    • Wheel Loader
    • Wheeled Excavators
    • Hydraulic Excavator
    • Skid-Steer Loader
    • KOMATSU Engine
    • Backhoe Loader
    • Bulldozer
    • Telescopic Handler
    • Mobile Crusher
    • Wheel Dozers
    • Parts Manual
    • Komastu Trash Compactors
    • Komastu Crawler Feller Bunchers
    • Komastu Mobile Crane
    • Komastu Rigid Dump Truck
  • Case Manual
    • Mini Excavators
    • Small Wheel Loaders
    • Skid Steers
    • Telehanlers
    • Rockbreakers
    • Backhoe Loaders
    • Wheel Loaders
    • Crawler Excavators
    • Case Engines
    • Wheeled Excavators
    • Case Rollers
  • Bobcat Manual
    • Mini Excavator
    • Skid Steer Loader
    • Track Loader
    • Utility Vehicle
    • Wheel Loader
    • Other
  • Doosan Manual
    • Wheeled Excavator
    • Crawled Excavator
  • Terex Manual
    • Terex Articulated Truck
    • Terex Backhoe Loader
    • Terex Compact Track Loader
    • Terex Crawler Excavator
    • Terex Dump Truck
    • Terex Mini Crawler Excavator
    • Terex Mini Excavator
    • Terex Mobile Excavator
    • Terex Motor Scraper
    • Terex Rail-Road Excavator
    • Terex Rigid Truck
    • Terex Track Loaders
    • Terex Wheel Loader
  • Kobelco Manual
    • Kobelco Crawler Excavators
    • Kobelco Mini Excavators
    • Kobelco Wheel Excavators
  • New Holland Manual
    • Compact Track Loader
    • Compact Wheel Loader
    • Hydraulic Hammers
    • Japan Crawler Excavator
    • Mew Holland Wheel Excavator
    • Mew Holland Wheel Loader
    • Midi Crawler Excavator
    • Midi Wheel Excavator
    • Mini Crawler Excavator
    • New Holland Compact Excavator
    • New Holland Crawler Excavator
    • New Holland Dozer
    • New Holland Engine
    • New Holland Excavator
    • New Holland Graders
    • New Holland Skid Steer
    • Teleskopic Handlers
    • New Holland Fiat Tractor
    • New Holland Ford Tractor
    • New Holland Combine
    • New Holland Hydraulic Excavator
    • New Holland Other Manual
    • New Holland Ford Loader
    • New Holland Ford Mower
    • New Holland Mower
  • Volvo Manual
    • Volvo Articulated Haulers
  • Liebherr Manual
  • Takeuchi Manual
  • Caterpillar Manual
  • Kubota Manual
  • Car Manual
  • Tractor Manual
  • Motorcycle Manual
  • Other Manual

2021-07-09_233209

smile July 9, 2021

Post navigation

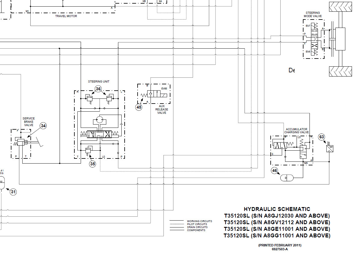
Previous Post: Bobcat Telescopic Handler T35120 Hydraulic & Electrical Schematic Manual
Categories
  • Bobcat (485)
    • Bobcat Compact Excavator (15)
    • Bobcat Compact Track Loader (31)
    • Bobcat Compact Tractor (8)
    • Bobcat Telescopic Handler (9)
    • Bobcat VersaHANDLER (13)
    • Mini Excavator (67)
    • Other (113)
    • Skid Steer Loader (181)
    • Track Loader (34)
    • Utility Vehicle (11)
    • Wheel Loader (1)
  • Car Manual (55)
  • Case (449)
    • Backhoe Loaders (61)
    • Case Engines (48)
    • Case Famall Manual (40)
    • Case Rollers (18)
    • Crawler Excavators (154)
    • Mini Excavators (6)
    • Rockbreakers (1)
    • Skid Steers (26)
    • Small Wheel Loaders (1)
    • Telehanlers (10)
    • Wheel Loaders (83)
    • Wheeled Excavators (1)
  • Caterpillar (73)
  • Doosan (144)
    • Crawled Excavator (86)
    • Doosan Wheel Loader (41)
    • Wheeled Excavator (17)
  • Engine (68)
    • Cummins Engine (11)
  • JCB (182)
    • Attachments (3)
    • Backhoe Loader (11)
    • Dumpster (5)
    • Excavator (40)
    • Fastrac Tractor (10)
    • Fork Lift (1)
    • JCB Engine (25)
    • JCB Parts Manual (18)
    • Old Vibromax (15)
    • Road roller (8)
    • Skid Steer Loader (9)
    • Telescopic Handler (25)
    • Utility Vehicle (2)
    • Wheel Loader (11)
  • John Deere (162)
    • Aeration (1)
    • Backhoe Loader (3)
    • Bunker Rake (2)
    • Combine (4)
    • Compact Utility Tractor (9)
    • Crawler Tractor (2)
    • Excavator (4)
    • John Deere Engine (7)
    • John Deere Skid Steer Loaders (1)
    • Lawn Garden Tractor (39)
    • Mower (35)
    • Tractor (44)
    • Utility Vehicle (10)
  • Kobelco Manual (60)
    • Kobelco Crawler Excavators (46)
    • Kobelco Mini Excavators (12)
    • Kobelco Wheel Excavators (1)
  • KOMATSU (415)
    • Backhoe Loader (6)
    • Bulldozer (7)
    • Hydraulic Excavator (31)
    • Komastu Crawler Feller Bunchers (3)
    • Komastu Mobile Crane (4)
    • Komastu Rigid Dump Truck (134)
    • Komastu Trash Compactors (7)
    • KOMATSU Engine (91)
    • Mobile Crusher (1)
    • Parts Manual (2)
    • Skid-Steer Loader (4)
    • Telescopic Handler (1)
    • Wheel Dozers (8)
    • Wheel Loader (91)
    • Wheeled Excavators (27)
  • Kubota Manual (281)
  • Liebherr Manual (27)
  • Motorcycle (559)
  • New Holland (1,168)
    • Compact Track Loader (3)
    • Compact Wheel Loader (3)
    • Hydraulic Hammers (1)
    • Japan Crawler Excavator (4)
    • Mew Holland Wheel Excavator (6)
    • Mew Holland Wheel Loader (14)
    • Midi Crawler Excavator (6)
    • Midi Wheel Excavator (1)
    • Mini Crawler Excavator (7)
    • New Holland Combine (6)
    • New Holland Compact Excavator (2)
    • New Holland Crawler Excavator (11)
    • New Holland Dozer (6)
    • New Holland Engine (14)
    • New Holland Excavator (11)
    • New Holland Fiat Tractor (23)
    • New Holland Ford Loader (12)
    • New Holland Ford Mower (3)
    • New Holland Ford Tractor (61)
    • New Holland Graders (5)
    • New Holland Hydraulic Excavator (2)
    • New Holland Mower (3)
    • New Holland Other Manual (88)
    • New Holland Skid Steer (12)
    • Teleskopic Handlers (7)
  • Other Manual (476)
  • Takeuchi Manual (344)
  • Terex Manual (319)
    • Terex Articulated Truck (43)
    • Terex Backhoe Loader (12)
    • Terex Compact Track Loader (6)
    • Terex Crawler Excavator (14)
    • Terex Dump Truck (28)
    • Terex Mini Crawler Excavator (24)
    • Terex Mini Excavator (1)
    • Terex Mobile Excavator (5)
    • Terex Motor Scraper (2)
    • Terex Rail-Road Excavator (2)
    • Terex Rigid Truck (11)
    • Terex Track Loaders (39)
    • Terex Wheel Loader (50)
  • Tractor Manual (7)
  • Volvo Manual (339)
    • Volvo Articulated Haulers Manual (125)
    • Volvo Asphalt Compactors Manual (0)
    • Volvo Backhoe Loaders (41)
    • Volvo Excavators (173)
JCB Manual,Tractor manual,service repair manual,workshop manual - A Repair Manual Store © 2025